动态资讯
掌握全球贸易最新动向洞见行业未来
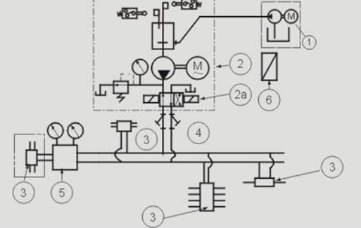
润滑系统的功用是向作相对运动的零件表面输送定量的清洁润滑油,以实现液体摩擦,减小摩擦阻力,减轻机件的磨损。并对零件表面进行清洗和冷却。润滑系通常由润滑油道、机油泵、机油滤清器和一些阀门等组成。

一、润滑系统进口报关手续资料
1、进出口权;
3、产品信息:品名、数量、包装、重量及体积等;
3、装箱单、发票及合同等;
4、提供使用说明书、照片等信息等等。如果是木箱包装要提前做好熏蒸消毒。
二、润滑系统进口报关流程:
1、准备进口资料
2、安排进口口岸商检查货
3、出通关单
4、报关/审价
5、出税单/缴税
6、海关现场查验核对
7、提货
8、配送至厂家。
本文标签:
400电话:400-1598-021
qq:3001398809
地址:东莞市南城区宏北路18号碧
桂园中心2206-2207